![]()
2.Arduino+液晶SC1602BS×2個の実験
(1)実験写真
https://www.youtube.com/watch?v=K8VHgpRajQc

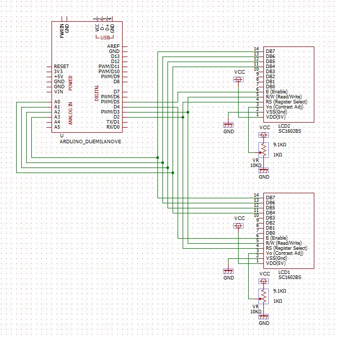
(2)回路図

(3)スケッチ
#include <LiquidCrystal.h>
LiquidCrystal lcd1(2, 3, 4, 14, 15, 16, 17);
LiquidCrystal lcd2(2, 3, 5, 14, 15, 16, 17);
void setup()
{
lcd1.begin(16, 2) ;
lcd1.clear() ;
lcd1.setCursor(0,0) ;
lcd1.print("Duration 1224 us") ;
lcd1.setCursor(0,1) ;
lcd1.print("Distance 20 cm") ;
lcd2.begin(16, 2) ;
lcd2.clear() ;
lcd2.setCursor(0,0) ;
lcd2.print("\xc1\xb4\xdd\xbc\xde\xb6\xdd 1224 us") ;
lcd2.setCursor(0,1) ;
lcd2.print("\xbf\xb8\xc3\xb2\xb7\xae\xd8 20 cm") ;
delay(3000) ;
}
void loop()
{
delay(500);
}